可拆式板式换热器_全焊接板式换热器-青岛普斯顿环保科技有限公司

专业板式换热器制造引领板式换热器行业标准 高效节能 环保耐用

15376768798 15954862177

您的位置: 首页>>案例·新闻 >>公司动态

服务热线

15376768798 15954862177

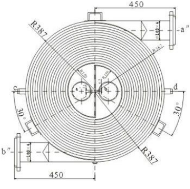
螺旋板式换热器如何进行选购,告诉你该怎么做?

螺旋板式换热器如何进行选购?只有选择到合适、正规的换热器,才能够保证我们可以获得应有的体验。

螺旋板式换热器结构特点是什么,帮助你搞定它

换热器的种类有很多,其中,螺旋板式换热器就是其中一种非常常见的类型,螺旋板式换热器结构特点是什么?

螺旋板式换热器基本参数有哪些,一起来看看

换热器的重要性想必大家都非常的清楚,螺旋板式换热器基本参数有哪些?

螺旋板式换热器故障处理要点有什么,解答你的疑问

大家在使用设备的过程中,是不是也遇到了很多的问题,那么,螺旋板式换热器故障处理要点有什么?

可拆式板式换热器有哪些技术要求,值得大家关注的问题

可拆式板式换热器有哪些技术要求?

可拆式板式换热器什么品牌好,这里有你喜欢的内容

可拆式板式换热器什么品牌好?想必大家面对市场上这么多的品牌自然就不知道怎么去选择。

可拆式板式换热器如何提高效率,为你分享妙招

如今,可拆式板式换热器已经成为人们非常喜欢的换热器之一,大家有必要了解它,那么,可拆式板式换热器如何提高效率?

可拆式板式换热器结构原理是什么,共同来研究下

可拆式板式换热器结构原理是什么?这也是帮助大家更好的了解这一设备大家必然要搞清楚的问题。

可拆式板式换热器更换步骤是什么,一起掌握这个技能

可拆式板式换热器更换步骤是什么?这也是我们在使用过程中必然会面临的问题,为了帮助大家更好的掌握住它的使用方法,那么,接下来普斯顿分享的内容会让大家有所发现。

可拆式板式换热器的特点是什么,一起来认识它

如今,可拆式板式换热器得到了广泛的应用,大家是不是都了解它呢?

可拆式板式换热器的工作原理是什么,为大家详细的解答

大家对于可拆式板式换热器是不是都非常的熟悉呢?比如,可拆式板式换热器的工作原理是什么?如果你对此也非常的好奇的话,就一起来看看接下来普斯顿为大家分享的内容吧。

可拆式板式换热器的常见故障有什么,安装中有什么值得注意的?

可拆式板式换热器的常见故障有什么?既然各位朋友们对此都这么的感兴趣,那么,接下来就让普斯顿抽出时间来整理下详细的内容,相信对于大家面对实践中的问题非常的有帮助。
11/13页 共153条 首页 前一页 下一页 尾页 跳转至