可拆式板式换热器_全焊接板式换热器-青岛普斯顿环保科技有限公司

专业板式换热器制造引领板式换热器行业标准 高效节能 环保耐用

15376768798 15954862177

您的位置: 首页>>案例·新闻 >>公司动态

服务热线

15376768798 15954862177

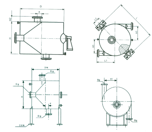
螺旋板式换热器怎么使用?

点击数:10692021-10-12 08:48:31 来源: 螺旋板式换热器-青岛普斯顿

新闻摘要:螺旋板式换热器是一种新型换热器,传热效率好,运行稳定性高,可多台共同工作。

螺旋板式换热器换热效果非常好,深受很多企业们的喜欢,每一种生产设备都要按照国家生产标准来设计的,那么螺旋板式换热器国家标准是什么?接下来就让普斯顿来告诉大家答案,想知道的朋友,不妨进来文章了解一下吧。



螺旋板式换热器是一种新型换热器,传热效率好,运行稳定性高,可多台共同工作。螺旋板式换热器是一种高效换热器设备,适用汽-汽、汽-液、液-液,对液传热。

它适用于化学、石油、溶剂、医药、食品、轻工、纺织、冶金、轧钢、焦化等行业。按结构形式可分为 不可拆式(Ⅰ型)螺旋板式及可拆式(Ⅱ型、Ⅲ型)螺旋 板式换热器。现行标准为JB/T4751-2003《螺旋板式换热器》。

螺旋板式换热器优点:

螺旋板式换热器结构紧凑,单位体积提供的传热面很大,如直径¢1500mm高1200mm的螺旋板换热器的传热面可达130m2。流体在螺旋板内允许流速较高,并且流体沿螺旋方向流动,滞流层薄,故传热系数大,传热效率高。此外还因流速大,脏物不易滞留。

螺旋板式换热器使用说明

1、 设备安装,应请熟悉该系统工艺的工程技术人员指导,按照本说明书和产品质量证明书及其系统工艺特点,确定安装工艺方案。在安装中,应考虑尽量利用管道的走向吸收热膨胀,并且安装要水平、对正,不能产生附加应力,以免对设备造成不利影响。管道联接应使两流程完全逆流状态,以提高传热效果。

2、 安装之前应清洗管道系统,不得有泥砂、杂物等存留其中;检查换热器在运输中是否损坏,是否有大杂物落入管口中。

3、设备安装完毕,设备与系统应进行水压试验。

4、水压试验完毕,应对设备进行保温。

5、循环必须软化或加药处理。(按低压锅炉水质标准GB1576-96),由于水处理不当造成结垢,可用化学清洗除垢。

螺旋板式换热器国家标准是什么?以上就是普斯顿给大家解答了相关的问题,相信各位我朋友看完上面的文章之后,对螺旋板式换热器知识有了更深的认识和了解,希望这些内容对你们有所帮助。